首页
>
市政府工作部门
>
市应急管理局
>
政策文件
索 引 号:43060034/2021-1843123
发布机构:市应急管理局
公开范围:全部公开
生成日期:2021-08-10
公开日期:2021-08-10
公开方式:政府网站
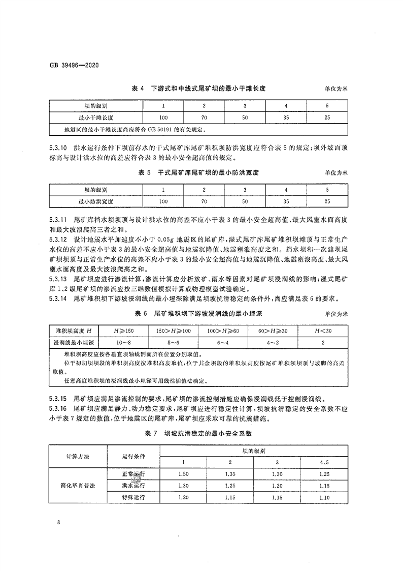
尾矿库安全规程GB39496-2020
来源:市应急管理局
2021-08-10 18:46
浏览量:
1
|
|
|
|
|